Ваш заказ
Выберите город

Цилиндрические редукторы FAF

Цилиндрические редукторы FAF
Рекомендуем современный аналог
Индустриальные редукторы H3
Узнать цену
Купить в 1 клик
Есть в наличииСклады в нескольких городах России.
Отгрузка 1 деньОтгрузим оборудование со склада в день оплаты.
Гарантия 1 годГарантийное обслуживание в течение 1 года.
Опт и розницаСпециальные цены для оптовых покупателей.
Доставка по РоссииДоставим оборудование в любой регион России.
Доставка

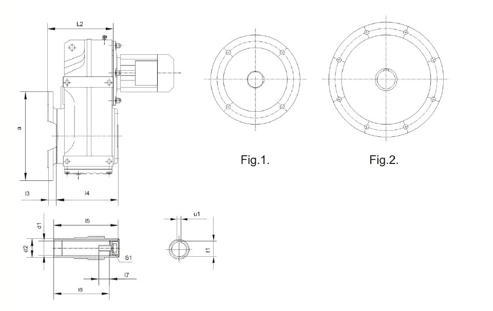
Габаритные и присоединительные размеры редукторов FAF

Габаритные и присоединительные размеры редукторов FAF

Габаритные и присоединительные размеры

Модель Фланец a
b
c
e
f
g
d
I
l1
l2
s t
u
d1
d2
l3
l4
l5
l6
l7
S1
t1
u1
H
J
L1
L2
M
N
Q
FF37.
FAF37-
Fig.1 160 3.5 130 25k6 5 M10 28 30H7 24 120 17 33.3 252 184 76
112
110j6 10 9 50 40 8 45 123 105 M10X25 8 165 138 120
FF47.
FAF47-
Fig.1 200 3.5 165 30k6 3.5 M10 33 35H7 25 150 22 38.3 269 218 77
128.1
130j6 12 11 60 50 8 50 153 132 M12X30 10 180 162 120
FF57.
FAF57-
Fig.1 250 4 215 35k6 7 M12 38 40H7 23.5 166 29 43.3 317 243 93
136
180j6 15 13.5 70 56 10 55 170 142 M16X40 12 200 177 160
FF67.
FAF67-
Fig.1 250 4 215 40k6 5 M16 43 40H7 23 180 29 43.3 343 264 97
159.5
180j6 15 13.5 80 70 12 55 184 156 M16X40 12 212 188 160
FF77.
FAF77-
Fig.1 300 4 265 50k6 10 M16 53.5 50H7 37 210 32 53.8 426 330 121
200
230h6 16 13.5 100 80 14 70 213 183 M16X45 14 270 200 200
FF87.
FAF87-
Fig.1 350 5 300 60m6 5 M20 64 60H7 30 240 36 64.4 531 374 152
246.7
250h6 18 17.5 120 110 18 85 243 210 M20X50 18 330 259 250
FF97.
FAF97-
Fig.2 450 5 400 70m6 7.5 M20 74.5 70H7 41.5 300 34 74.9 623 456 178
285
350h6 22 17.5 140 125 20 95 303 270 M20X50 20 400 321 300
FF107.
FAF107-
Fig.2 450 5 400 90m6 5 M24 95 90H7 41 350 40 95.4 717 523 200
332.4
350h6 22 17.5 170 160 25 118 353 313 M24X60 25 450 358 350
FF127.
FAF127-
Fig.2 550 5 500 110m6 15 M24 116 100H7 51 410 38 106.4 856 643 236
382.6
450h6 25 17.5 210 180 28 135 413 373 M24X60 28 530 426 450

Самовывоз

Товар можно получить в будние дни на складе в Москве (МО, г. Одинцово), Санкт-Петербурге, Ростове-на-Дону или Екатеринбурге. Сроки отгрузки — 1-3 дня после оплаты. Заказ должен быть предварительно согласован с менеджером ООО "ТПК "ТЕХПРИВОД".

Регионы России

Заказ может быть доставлен в любой регион России. Доставка осуществляется транспортной компанией «Деловые Линии» либо перевозчиком, выбранным заказчиком. До терминала транспортной компании товар доставляется бесплатно. Примерную стоимость доставки можно рассчитать с помощью тарифного калькулятора.


Уточнить условия доставки и задать дополнительные вопросы можно по телефонам: +7 (495) 966-07-07 и 8 (800) 707-66-72 (бесплатный звонок).

Оставить заявку
22 366 руб.
Заказать
Купить в 1 клик
22 865 руб.
Заказать
Купить в 1 клик
22 865 руб.
Заказать
Купить в 1 клик
22 865 руб.
Заказать
Купить в 1 клик
22 865 руб.
Заказать
Купить в 1 клик
22 865 руб.
Заказать
Купить в 1 клик
22 865 руб.
Заказать
Купить в 1 клик
24 553 руб.
Заказать
Купить в 1 клик
28 992 руб.
Заказать
Купить в 1 клик
34 620 руб.
Заказать
Купить в 1 клик
34 620 руб.
Заказать
Купить в 1 клик
34 620 руб.
Заказать
Купить в 1 клик
Похожие товары
Рекомендуем
Каталог
Остались вопросы?
Напишите нам, получите бесплатную консультацию по оборудованию!
Или позвоните по телефону 8 (800) 707-66-72