

Редуктор NRV 030 рассчитан на работу до 24 ч/сут в непрерывном режиме либо с периодическими остановками. К преимуществам привода относятся: монтаж в произвольном пространственном положении, бесшумность, высокая надежность. Скорость вращения входного вала составляет 900-2800 об/мин, выходного вала – 23,3-560 об/мин. Крутящий момент – до 22 Н*м. Данными редукторами комплектуются мотор-редукторы NMRV 030 и DRV 030/040.
Материалы деталей:
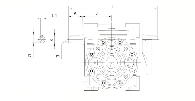
NRV - 030 - 30 - B3
| Типоразмер | i | 5 | 7.5 | 10 | 15 | 20 | 25 | 30 | 40 | 50 | 60 | 80 | 100 |
|---|---|---|---|---|---|---|---|---|---|---|---|---|---|
| NRV 030 | m | 1.5 | 1.5 | 1.5 | 1.5 | 1 | 1.75 | 1.5 | 1 | 0.9 | 0.75 | 0.55 | / |
| z1 | 6 | 4 | 3 | 2 | 2 | 1 | 1 | 1 | 1 | 1 | 1 | / | |
| y | 29°3' | 20°19' | 15°31' | 10°29" | 5°42' | 6°10' | 5°17' | 2°52' | 3°26' | 2°52' | 1°58' | / | |
| nd | 0.874 | 0.856 | 0.829 | 0.782 | 0.673 | 0.700 | 0.667 | 0.520 | 0.567 | 0.520 | 0.422 | / | |
| ns | 0.723 | 0.675 | 0.637 | 0.559 | 0.461 | 0.442 | 0.400 | 0.308 | 0.319 | 0.275 | 0.221 | / |
| Передаточное отношение | 5 | 7,5 | 10 | 15 | 20 | 25 | 30 | 40 | 50 | 60 | 80 | 100 |
|---|---|---|---|---|---|---|---|---|---|---|---|---|
| Крутящий момент, H*m | 280 | 186 | 140 | 94 | 70 | 56 | 47 | 35 | 28 | 24 | 18 | 14 |
| Допустимая радиальная нагрузка, H | 599 | 691 | 758 | 868 | 954 | 1033 | 1086 | 1204 | 1296 | 1381 | 1516 | 1638 |
| Монтажное исполнение | B3 | B8 | B6, B7 | V5, V6 |
|---|---|---|---|---|
| Объем, л | 0,042 | |||
Для просмотра 3D-модели редуктора NRV 030 кликните на изображении. Удерживая левую кнопку мыши, разверните модель в нужной плоскости. Колесиком мыши можно приближать и удалять изображение.

Самовывоз
Товар можно получить в будние дни на складе в Москве (МО, г. Одинцово), Санкт-Петербурге, Ростове-на-Дону или Екатеринбурге. Сроки отгрузки — 1-3 дня после оплаты. Заказ должен быть предварительно согласован с менеджером ООО "ТПК "ТЕХПРИВОД".
Регионы России
Заказ может быть доставлен в любой регион России. Доставка осуществляется транспортной компанией «Деловые Линии» либо перевозчиком, выбранным заказчиком. До терминала транспортной компании товар доставляется бесплатно. Примерную стоимость доставки можно рассчитать с помощью тарифного калькулятора.
Уточнить условия доставки и задать дополнительные вопросы можно по телефонам: +7 (495) 966-07-07 и 8 (800) 707-66-72 (бесплатный звонок).
Гарантия производителя на товар действует в течение 12 месяцев с момента поставки товара покупателю. Гарантийные обязательства действительны при условии соблюдения правил транспортировки, хранения и эксплуатации оборудования.
Право на гарантию теряется в случае использования оборудования покупателем не по назначению, внесения в него конструктивных изменений, ставших причиной поломки, нарушения правил технического обслуживания, ремонта оборудования в несертифицированной производителем организации.
пн-чт 9:00-18:00
Санкт-Петербург
Ростов-на-Дону
Екатеринбург

Сайт использует cookie для корректной работы и аналитики. Продолжая просмотр, вы соглашаетесь с их использованием.



