Червячная редукторная часть NMRV производится в универсальном корпусе, который обеспечивает модели ряд преимуществ перед аналогами.
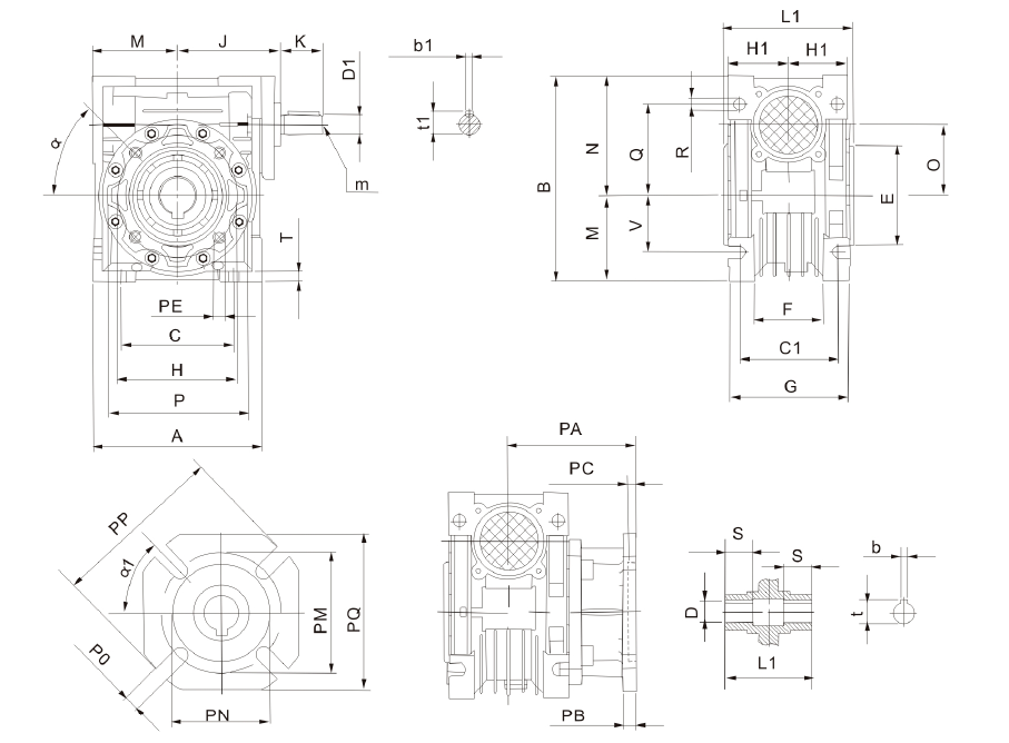
Прежде всего, агрегат можно монтировать в произвольном положении, в соответствии с производственной необходимостью. Кроме того, унифицированные присоединительные размеры позволяют установить редуктор NMRV взамен вышедшей из строя модели другого производителя. Выпускается 10 типоразмеров данного оборудования. В зависимости от типоразмера корпус редуктора может производиться из алюминиевого сплава или из чугуна.
Максимально допустимая радиальная нагрузка на устройство может достигать 16 500Н, максимальный выходной момент составляет 1400Н•м. Универсальность, компактность, бесшумная работа, высокая надежность, низкая цена делают редукторы NMRV оптимальным решением на отечественном рынке приводного оборудования
| Передаточное число (i) | 30 |
| Размер входного фланца для м-редуктора | 71 |
| Тип м-редуктора(общий) | NMRV-L- |
| Габаритный размер(общий) | 040 |
| Тип входного фланца | B14 |
| Тип редуктора | NMRV |
| RVL | A | B | С | C1 |
D (F7) |
D1 (j6) |
E (h8) |
F | G | H | H1 | J | К | L1 | M | N | O | P | Q | R |
|---|---|---|---|---|---|---|---|---|---|---|---|---|---|---|---|---|---|---|---|---|
| 030 | 81 | 97 | 54 | 44 | 14 | 9 | 55 | 32 | 56 | 65 | 29 | 51 | 20 | 63 | 40 | 57 | 30 | 75 | 44 | 6.5 |
| 040 | 100 | 121.5 | 70 | 60 | 18(19) | 11 | 60 | 43 | 71 | 75 | 35.5 | 65 | 24 | 78 | 50 | 71.5 | 40 | 87 | 55.25 | 6.5 |
| 050 | 121 | 144 | 80 | 70 | 25(24) | 14 | 70 | 49 | 85 | 85 | 42.5 | 74 | 30 | 92 | 60 | 84 | 50 | 100 | 64 | 8.5 |
| 063 | 146 | 174 | 100 | 85 | 25(28) | 19 | 80 | 67 | 103 | 95 | 51.5 | 90 | 40 | 112 | 72 | 102 | 63 | 110 | 80 | 8.5 |
| 075 | 174 | 205 | 120 | 90 | (35)28 | 24 | 95 | 72 | 112 | 115 | 56 | 105 | 50 | 120 | 86 | 119 | 75 | 140 | 93 | 11 |
| 090 | 208 | 238 | 140 | 100 | 35(38) | 24 | 110 | 74 | 130 | 130 | 65 | 125 | 50 | 140 | 103 | 135 | 90 | 160 | 102 | 13 |
| 110 | 252.5 | 295 | 170 | 115 | 42 | 28 | 130 | - | 144 | 165 | 72 | 142 | 60 | 155 | 127.5 | 167.5 | 110 | 200 | 125 | 14 |
| 130 | 292.5 | 335 | 200 | 120 | 45 | 30 | 180 | - | 155 | 215 | 77.5 | 162 | 80 | 170 | 147.5 | 187.5 | 130 | 250 | 140 | 16 |
| 150 | 340 | 400 | 240 | 145 | 50 | 35 | 180 | - | 185 | 215 | 96 | 195 | 80 | 200 | 170 | 230 | 150 | 250 | 180 | 18 |
| RVL | S | T | V | PA | PB | PC | PE | PM | PN(H8) | PO | PP | PQ | b | b1 | t | t1 | m | a | c1 | Kg |
|---|---|---|---|---|---|---|---|---|---|---|---|---|---|---|---|---|---|---|---|---|
| 030 | 21 | 5.5 | 27 | 54.5 | 6 | 4 | M6x11(n=4) | 68 | 50 | 6.5(n=4) | 80 | 70 | 5 | 3 | 16.3 | 10.2 | - | 0° | 45° | 1.2 |
| 040 | 26 | 6.5 | 35.5 | 67(97) | 7.5 | 4 | M6x8(n=4) | 75 | 60 | 9(n=4) | 110 | 95 | 6(6) | 4 | 20.8(21.8) | 12.5 | - | 45° | 45° | 2.3 |
| 050 | 30 | 7 | 40 | 90(120) | 9 | 5 | M8x10(n=4) | 85 | 70 | 11(n=4) | 125 | 110 | 8(8) | 5 | 28.3(27.3) | 16.0 | M6 | 45° | 45° | 3.5 |
| 063 | 36 | 8 | 50 | 82(112) | 10 | 6 | M8x14(n=8) | 150 | 115 | 11(n=4) | 180 | 142 | 8(8) | 6 | 28.3(31.3) | 21.5 | M6 | 45° | 45° | 5.4 |
| 075 | 40 | 10 | 60 | 111 | 13 | 6 | M8x14(n=8) | 165 | 130 | 14(n=4) | 200 | 170 | 8(10) | 8 | 31.3(38.3) | 27.0 | M8 | 45° | 45° | 7.9 |
| 090 | 45 | 11 | 70 | 111 | 13 | 6 | M10x18(n=8) | 175 | 152 | 14(n=4) | 210 | 200 | 10(10) | 8 | 38.3(41.3) | 27.0 | M8 | 45° | 45° | 11.6 |
| 110 | 50 | 14 | 85 | 131 | 15 | 6 | M12x21(n=8) | 235 | 180 | 16(n=8) | 320 | 290 | 14 | 8 | 48.8 | 33.0 | M10 | 45° | 45° | 35 |
| 130 | 60 | 15 | 100 | 140 | 15 | 6 | M12x21(n=8) | 255 | 180 | 16(n=8) | 320 | 290 | 14 | 10 | 53.8 | 38 | M12 | 45° | 22.5° | 84 |
| PAME IEC | N | M | P | 7.5 | 10 | 15 | 20 | 25 | 30 | 40 | 50 | 60 | 80 | 100 | B5 | B14 | B5 | B14 | B5 | B14 | 9 |
|---|---|---|---|---|---|---|---|---|---|---|---|---|---|---|---|---|---|---|
| RV 025 | 56B14 | - | 50 | - | 65 | - | 80 | 9 | 9 | 9 | 9 | - | 9 | 9 | 9 | 9 | - | - |
| RV 030 | 56B5/B14 | 80 | 50 | 100 | 65 | 120 | 80 | 9 | 9 | 9 | 9 | 9 | 9 | 9 | 9 | 9 | 9 | - |
| 63B5/B14 | 95 | 60 | 115 | 75 | 140 | 90 | 11 | 11 | 11 | 11 | 11 | 11 | 11 | 11 | - | - | - | |
| RV 040 | 56B5 | 80 | - | 100 | - | 120 | - | - | - | - | - | - | - | - | 9 | 9 | 9 | 9 |
| 63B5/B14 | 95 | 60 | 115 | 75 | 140 | 90 | 11 | 11 | 11 | 11 | 11 | 11 | 11 | 11 | 11 | 11 | 11 | |
| 71B5/B14 | 110 | 70 | 130 | 85 | 160 | 105 | 14 | 14 | 14 | 14 | 14 | 14 | 14 | 14 | 14 | 14 | - | |
| RV 050 | 63B5 | 95 | - | 115 | - | 140 | - | - | - | - | - | - | - | 11 | 11 | 11 | 11 | 11 |
| 71B5/B14 | 110 | 70 | 130 | 85 | 160 | 105 | 14 | 14 | 14 | 14 | 14 | 14 | 14 | 14 | 14 | 14 | - | |
| 80B5/B14 | 130 | 80 | 165 | 100 | 200 | 120 | 19 | 19 | 19 | 19 | 19 | 19 | 19 | - | - | - | - | |
| RV 063 | 71B5/B14 | 110 | 70 | 130 | 85 | 160 | 105 | - | - | - | : | - | - | 14 | 14 | 14 | 14 | 14 |
| 80B5/B14 | 130 | 80 | 165 | 100 | 200 | 120 | 19 | 19 | 19 | 19 | 19 | 19 | 19 | 19 | 19 | 19 | 19 | |
| 90B5/B14 | 130 | 95 | 165 | 115 | 200 | 140 | 24 | 24 | 24 | 24 | 24 | 24 | - | - | - | - | - | |
| RV 075 | 80B5/B14 | 130 | 80 | 165 | 100 | 200 | 120 | - | - | - | - | - | 19 | 19 | 19 | 19 | 19 | 19 |
| 90B5/B14 | 130 | 95 | 165 | 115 | 200 | 140 | 24 | 24 | 24 | 24 | 24 | 24 | 24 | - | - | - | - | |
| 100B5/B14 | 180 | 110 | 215 | 130 | 250 | 160 | 28 | 28 | 28 | - | - | - | - | - | - | - | - | |
| 112B5/B14 | 180 | 110 | 215 | 130 | 250 | 160 | 28 | - | - | - | - | - | - | - | - | - | - | |
| RV 090 | 80B5/B14 | 130 | 80 | 165 | 100 | 200 | 120 | - | - | - | - | - | - | - | 19 | 19 | 19 | 19 |
| 90B5/B14 | 130 | 95 | 165 | 115 | 200 | 140 | - | - | - | - | 24 | 24 | 24 | 24 | 24 | - | - | |
| 100B5/B14 | 180 | 110 | 215 | 130 | 250 | 160 | 28 | 28 | 28 | 28 | 28 | 28 | - | - | - | - | - | |
| 112B5/B14 | 180 | 110 | 215 | 130 | 250 | 160 | 28 | 28 | 28 | 28 | - | - | - | - | - | - | - | |
| RV 110 | 90B5 | 130 | - | 165 | - | 200 | - | - | - | - | - | - | - | - | 24 | 24 | 24 | 24 |
| 100B5 | 180 | - | 215 | - | 250 | - | 28 | 28 | 28 | 28 | 28 | 28 | 28 | 28 | 28 | - | - | |
| 112B5 | 180 | - | 215 | - | 250 | - | 28 | 28 | 28 | 28 | 28 | 28 | - | - | - | - | - | |
| 132B5 | 230 | - | 265 | - | 300 | - | 38 | 38 | 38 | 38 | - | - | - | - | - | - | - | |
| RV 130 | 90B5 | 130 | - | 165 | - | 200 | - | - | - | - | - | - | - | - | - | - | 24 | 24 |
| 100B5 | 180 | - | 215 | - | 250 | - | - | - | - | - | - | - | 28 | 28 | 28 | 28 | 28 | |
| 112B5 | 180 | - | 215 | - | 250 | - | 28 | 28 | 28 | 28 | 28 | 28 | 28 | 28 | 28 | - | - | |
| 132B5 | 230 | - | 265 | - | 300 | - | 38 | 38 | 38 | 38 | 38 | 38 | 38 | - | - | - | - | |
| RV 150 | 112B5 | 180 | - | 215 | - | 250 | - | - | - | - | - | - | - | - | 28 | 28 | 28 | 28 |
| 132B5 | 230 | - | 265 | - | 300 | - | - | - | - | 38 | 38 | 38 | 38 | 38 | - | - | - | |
| 160B5 | 250 | - | 300 | - | 350 | - | 42 | 42 | 42 | 42 | 42 | - | - | - | - | - | - | |
Самовывоз
Товар можно получить в будние дни на складе в Москве (МО, г. Одинцово), Санкт-Петербурге, Ростове-на-Дону или Екатеринбурге. Сроки отгрузки — 1-3 дня после оплаты. Заказ должен быть предварительно согласован с менеджером ООО "ТПК "ТЕХПРИВОД".
Регионы России
Заказ может быть доставлен в любой регион России. Доставка осуществляется транспортной компанией «Деловые Линии» либо перевозчиком, выбранным заказчиком. До терминала транспортной компании товар доставляется бесплатно. Примерную стоимость доставки можно рассчитать с помощью тарифного калькулятора.
Уточнить условия доставки и задать дополнительные вопросы можно по телефонам: +7 (495) 966-07-07 и 8 (800) 707-66-72 (бесплатный звонок).