Трехфазные асинхронные электродвигатели Y2 производятся в легких, устойчивых к коррозии алюминиевых и чугунных корпусах с классом защиты IP55. В серии представлены приводы мощностью 0,09 — 315 кВт. Номинальная скорость вращения — от 750 до 3000 об/мин. Напряжение питания — 220/380/660 В. Режим работы — продолжительный S1. Класс изоляции обмоток – F. Двигатели соответствуют стандартам IEC.
Типоразмеры 63 – 132 – алюминиевый корпус
Типоразмеры 160 – 355 – чугунный корпус
| Типоразмер | Мощность, кВт | Напряжение, В (Δ/Y) | Номинальный ток, А (Δ/Y) | Частота, Гц | Скорость вращения, об/мин | КПД, % | cos φ | Is/In | Ts/Tn | Tmax/Tn | ||
|---|---|---|---|---|---|---|---|---|---|---|---|---|
| 50 Гц | 60 Гц | IE1 | IE2 | |||||||||
| 3000 об/мин | ||||||||||||
| Y2 631-2 | 0.18 | 220/380 | 0.87/0.5 | 50/60 | 2720 | 3260 | 69 | 72.4 | 0.8 | 5.5 | 2.2 | 2.2 |
| Y2 632-2 | 0.25 | 220/380 | 1.1/0.65 | 50/60 | 2720 | 3260 | 72 | 75.2 | 0.81 | 5.5 | 2.2 | 2.2 |
| Y2 711-2 | 0.37 | 220/380 | 1.6/0.95 | 50/60 | 2740 | 3290 | 73.5 | 76.5 | 0.81 | 6.1 | 2.2 | 2.2 |
| Y2 712-2 | 0.55 | 220/380 | 2.4/1.4 | 50/60 | 2740 | 3290 | 75.5 | 78.4 | 0.82 | 6.1 | 2.3 | 2.2 |
| Y2 80M1-2 | 0.75 | 220/380 | 3.1/1.8 | 50/60 | 2830 | 3400 | 77.4 | 80.7 | 0.84 | 6.8 | 2.3 | 2.3 |
| Y2 80M2-2 | 1.1 | 220/380 | 4.2/2.4 | 50/60 | 2830 | 3400 | 79.6 | 82.7 | 0.86 | 7.1 | 2.3 | 2.3 |
| Y2 90S-2 | 1.5 | 220/380 | 5.7/3.3 | 50/60 | 2840 | 3410 | 81.3 | 85.3 | 0.85 | 7.3 | 2.3 | 2.3 |
| Y2 90L-2 | 2.2 | 220/380 | 8.1/4.7 | 50/60 | 2840 | 3410 | 83.2 | 85.9 | 0.86 | 7.6 | 2.2 | 2.3 |
| Y2 100L-2 | 3.0 | 220/380 | 10.7/6.2 | 50/60 | 2870 | 3440 | 84.6 | 87.1 | 0.87 | 7.8 | 2.2 | 2.3 |
| Y2 112M-2 | 4.0 | 380/660 | 8.2/4.7 | 50/60 | 2890 | 3470 | 85.8 | 88.1 | 0.87 | 8.1 | 2.2 | 2.3 |
| Y2 132S1-2 | 5.5 | 380/660 | 10.9/6.3 | 50/60 | 2900 | 3480 | 87.0 | 89.2 | 0.88 | 8.2 | 2.2 | 2.3 |
| Y2 132S2-2 | 7.5 | 380/660 | 14.7/8.5 | 50/60 | 2900 | 3480 | 88.1 | 90.1 | 0.88 | 7.8 | 2.2 | 2.3 |
| Y2 160M1-2 | 11.0 | 380/660 | 21/12.1 | 50/60 | 2930 | 3520 | 89.4 | 91.2 | 0.89 | 7.9 | 2.2 | 2.3 |
| Y2 160M2-2 | 15.0 | 380/660 | 28.4/16.4 | 50/60 | 2930 | 3520 | 90.3 | 91.9 | 0.89 | 7.9 | 2.2 | 2.3 |
| Y2 160L-2 | 18.5 | 380/660 | 34.4/19.9 | 50/60 | 2930 | 3520 | 90.9 | 92.4 | 0.9 | 8.0 | 2.2 | 2.3 |
| Y2 180M-2 | 22.0 | 380/660 | 40.7/23.5 | 50/60 | 2940 | 3530 | 91.3 | 92.7 | 0.9 | 8.1 | 2.2 | 2.3 |
| Y2 200L1-2 | 30.0 | 380/660 | 55.1/31.8 | 50/60 | 2950 | 3540 | 92.0 | 93.3 | 0.9 | 7.5 | 2.0 | 2.3 |
| Y2 200L2-2 | 37.0 | 380/660 | 67.6/39.1 | 50/60 | 2950 | 3540 | 92.5 | 93.7 | 0.9 | 7.5 | 2.0 | 2.3 |
| Y2 225M-2 | 45.0 | 380/660 | 81.9/47.3 | 50/60 | 2970 | 3560 | 92.9 | 94.0 | 0.9 | 7.5 | 2.2 | 2.3 |
| Y2 250M-2 | 55.0 | 380/660 | 99.7/57.6 | 50/60 | 2970 | 3560 | 93.2 | 94.3 | 0.9 | 7.1 | 2.2 | 2.3 |
| Y2 280S-2 | 75.0 | 380/660 | 135.1/78.1 | 50/60 | 2970 | 3560 | 93.8 | 94.7 | 0.9 | 6.9 | 1.8 | 2.3 |
| Y2 280M-2 | 90.0 | 380/660 | 159.9/92.4 | 50/60 | 2970 | 3560 | 94.1 | 95.0 | 0.91 | 6.9 | 1.8 | 2.3 |
| Y2 315S-2 | 110.0 | 380/660 | 195/112.7 | 50/60 | 2980 | 3580 | 94.3 | 95.2 | 0.91 | 7.0 | 1.8 | 2.2 |
| Y2 315M-2 | 132.0 | 380/660 | 233.2/134.8 | 50/60 | 2980 | 3580 | 94.6 | 95.4 | 0.91 | 7.0 | 1.8 | 2.2 |
| Y2 315L1-2 | 160.0 | 380/660 | 279.1/161.3 | 50/60 | 2980 | 3580 | 94.8 | 95.6 | 0.92 | 7.1 | 1.8 | 2.2 |
| Y2 315L2-2 | 200.0 | 380/660 | 348.1/201.2 | 50/60 | 2980 | 3580 | 95.0 | 95.8 | 0.92 | 7.1 | 1.8 | 2.2 |
| Y2 355M-2 | 250.0 | 380/660 | 435.1/251.5 | 50/60 | 2980 | 3580 | 95.0 | 95.8 | 0.92 | 7.1 | 1.6 | 2.2 |
| Y2 355L-2 | 315.0 | 380/660 | 548.2/316.9 | 50/60 | 2980 | 3580 | 95.0 | 95.8 | 0.92 | 7.2 | 1.6 | 2.2 |
| 1500 об/мин | ||||||||||||
| Y2 631-4 | 0.12 | 220/380 | 0.73/0.42 | 50/60 | 1310 | 1570 | 60.0 | 63.8 | 0.72 | 4.4 | 2.1 | 2.2 |
| Y2 632-4 | 0.18 | 220/380 | 1.0/0.59 | 50/60 | 1310 | 1570 | 64.0 | 67.7 | 0.73 | 4.4 | 2.1 | 2.2 |
| Y2 711-4 | 0.25 | 220/380 | 1.3/0.77 | 50/60 | 1330 | 1600 | 67.0 | 70.5 | 0.74 | 5.2 | 2.1 | 2.2 |
| Y2 712-4 | 0.37 | 220/380 | 1.9/1.1 | 50/60 | 1330 | 1600 | 69.5 | 72.8 | 0.75 | 5.2 | 2.1 | 2.2 |
| Y2 80M1-4 | 0.55 | 220/380 | 2.6/1.5 | 50/60 | 1390 | 1670 | 73.5 | 76.5 | 0.75 | 5.2 | 2.4 | 2.3 |
| Y2 80M2-4 | 0.75 | 220/380 | 3.3/1.9 | 50/60 | 1390 | 1670 | 79.6 | 82.5 | 0.76 | 6.4 | 2.3 | 2.3 |
| Y2 90S-4 | 1.1 | 220/380 | 4.7/2.7 | 50/60 | 1390 | 1670 | 81.4 | 84.1 | 0.77 | 6.6 | 2.3 | 2.3 |
| Y2 90L-4 | 1.5 | 220/380 | 6.1/3.5 | 50/60 | 1400 | 1680 | 82.8 | 85.3 | 0.79 | 6.7 | 2.3 | 2.3 |
| Y2 100L1-4 | 2.2 | 220/380 | 8.5/4.9 | 50/60 | 1430 | 1680 | 84.3 | 86.7 | 0.81 | 7.3 | 2.3 | 2.3 |
| Y2 100L2-4 | 3.0 | 220/380 | 11.2/6.5 | 50/60 | 1430 | 1720 | 85.5 | 87.7 | 0.82 | 7.5 | 2.3 | 2.3 |
| Y2 112M-4 | 4.0 | 380/660 | 8.6/5.0 | 50/60 | 1430 | 1720 | 86.6 | 88.6 | 0.82 | 7.5 | 2.3 | 2.3 |
| Y2 132S-4 | 5.5 | 380/660 | 11.5/6.6 | 50/60 | 1440 | 1730 | 87.7 | 89.6 | 0.83 | 7.5 | 2.0 | 2.3 |
| Y2 132M-4 | 7.5 | 380/660 | 15.3/8.8 | 50/60 | 1440 | 1730 | 88.7 | 90.4 | 0.84 | 7.3 | 2.0 | 2.3 |
| Y2 160M-4 | 11.0 | 380/660 | 22.2/12.8 | 50/60 | 1460 | 1750 | 89.8 | 91.4 | 0.84 | 7.4 | 2.0 | 2.3 |
| Y2 160L-4 | 15.0 | 380/660 | 29.6/17.1 | 50/60 | 1460 | 1750 | 90.6 | 92.1 | 0.85 | 7.5 | 2.0 | 2.3 |
| Y2 180M-4 | 18.5 | 380/660 | 35.9/20.8 | 50/60 | 1470 | 1760 | 91.2 | 92.6 | 0.86 | 7.6 | 2.0 | 2.3 |
| Y2 180L-4 | 22.0 | 380/660 | 42.5/24.6 | 50/60 | 1470 | 1760 | 91.6 | 93.0 | 0.86 | 7.7 | 2.1 | 2.3 |
| Y2 200L-4 | 30.0 | 380/660 | 57.5/33.2 | 50/60 | 1470 | 1760 | 92.3 | 93.6 | 0.86 | 7.1 | 2.1 | 2.3 |
| Y2 225S-4 | 37.0 | 380/660 | 69.8/40.3 | 50/60 | 1480 | 1760 | 92.7 | 93.9 | 0.87 | 7.3 | 2.1 | 2.3 |
| Y2 225M-4 | 45.0 | 380/660 | 84.5/48.8 | 50/60 | 1480 | 1700 | 93.1 | 94.2 | 0.87 | 7.3 | 2.2 | 2.3 |
| Y2 250M-4 | 55.0 | 380/660 | 102.8/59.4 | 50/60 | 1480 | 1780 | 93.5 | 94.6 | 0.87 | 7.3 | 2.2 | 2.3 |
| Y2 280S-4 | 75.0 | 380/660 | 139.5/80.6 | 50/60 | 1480 | 1780 | 94.0 | 95.0 | 0.87 | 6.8 | 2.2 | 2.3 |
| Y2 280M-4 | 90.0 | 380/660 | 167.0/96.5 | 50/60 | 1480 | 1780 | 94.2 | 95.2 | 0.87 | 6.9 | 2.2 | 2.3 |
| Y2 315S-4 | 110.0 | 380/660 | 201.2/116.3 | 50/60 | 1480 | 1780 | 94.5 | 95.4 | 0.88 | 6.9 | 2.1 | 2.2 |
| Y2 315M-4 | 132.0 | 380/660 | 240.9/139.2 | 50/60 | 1490 | 1790 | 94.7 | 95.6 | 0.88 | 6.9 | 2.1 | 2.2 |
| Y2 315L1-4 | 160.0 | 380/660 | 288.2/166.6 | 50/60 | 1490 | 1790 | 94.9 | 95.8 | 0.89 | 6.9 | 2.1 | 2.2 |
| Y2 315L2-4 | 200.0 | 380/660 | 359.4/207.7 | 50/60 | 1490 | 1790 | 95.1 | 96.0 | 0.89 | 6.9 | 2.1 | 2.2 |
| Y2 355M-4 | 250.0 | 380/660 | 444.3/256.8 | 50/60 | 1490 | 1790 | 95.1 | 96.0 | 0.90 | 6.9 | 2.0 | 2.2 |
| Y2 355L-4 | 315.0 | 380/660 | 559.8/323.6 | 50/60 | 1490 | 1790 | 95.1 | 96.0 | 0.90 | 6.9 | 2.0 | 2.2 |
| 1000 об/мин | ||||||||||||
| Y2 801-6 | 0.37 | 220/380 | 2.1/1.2 | 50/60 | 890 | 1070 | 68.0 | 71.4 | 0.70 | 4.7 | 1.9 | 2.0 |
| Y2 802-6 | 0.55 | 220/380 | 2.8/1.6 | 50/60 | 890 | 1070 | 71.0 | 74.2 | 0.72 | 4.7 | 1.9 | 2.0 |
| Y2 90S-6 | 0.75 | 220/380 | 3.6/2.1 | 50/60 | 910 | 1090 | 75.9 | 78.9 | 0.72 | 5.8 | 2.0 | 2.1 |
| Y2 90L-6 | 1.1 | 220/380 | 5.0/2.9 | 50/60 | 910 | 1090 | 78.1 | 81.0 | 0.73 | 5.9 | 2.0 | 2.1 |
| Y2 100L-6 | 1.5 | 220/380 | 6.7/3.9 | 50/60 | 940 | 1130 | 79.0 | 82.5 | 0.75 | 5.9 | 2.0 | 2.1 |
| Y2 112M-6 | 2.2 | 220/380 | 9.3/5.4 | 50/60 | 940 | 1130 | 81.8 | 84.3 | 0.76 | 6.2 | 2.0 | 2.1 |
| Y2 132S-6 | 3.0 | 220/380 | 12.5/7.2 | 50/60 | 960 | 1150 | 83.3 | 85.6 | 0.76 | 6.4 | 2.0 | 2.1 |
| Y2 132M1-6 | 4.0 | 380/660 | 9.5/5.5 | 50/60 | 960 | 1150 | 84.6 | 86.8 | 0.76 | 6.6 | 2.0 | 2.1 |
| Y2 132M2-6 | 5.5 | 380/660 | 12.6/7.3 | 50/60 | 960 | 1150 | 86.0 | 88.0 | 0.77 | 6.8 | 2.0 | 2.1 |
| Y2 160M-6 | 7.5 | 380/660 | 17.0/9.8 | 50/60 | 970 | 1160 | 87.2 | 89.1 | 0.77 | 6.8 | 2.0 | 2.1 |
| Y2 160L-6 | 11.0 | 380/660 | 24.2/14.0 | 50/60 | 970 | 1160 | 88.7 | 90.3 | 0.78 | 6.9 | 2.0 | 2.1 |
| Y2 180L-6 | 15.0 | 380/660 | 31.6/18.3 | 50/60 | 970 | 1160 | 89.7 | 91.2 | 0.81 | 7.3 | 2.0 | 2.1 |
| Y2 200L1-6 | 18.5 | 380/660 | 38.4/22.2 | 50/60 | 970 | 1160 | 90.4 | 91.7 | 0.81 | 7.2 | 2.0 | 2.1 |
| Y2 200L2-6 | 22.0 | 380/660 | 44.4/25.7 | 50/60 | 970 | 1160 | 90.9 | 92.2 | 0.83 | 7.3 | 2.0 | 2.1 |
| Y2 225M-6 | 30.0 | 380/660 | 59.2/34.2 | 50/60 | 980 | 1180 | 91.7 | 92.9 | 0.84 | 6.8 | 2.0 | 2.1 |
| Y2 250M-6 | 37.0 | 380/660 | 71.0/41.0 | 50/60 | 980 | 1180 | 92.2 | 93.3 | 0.86 | 7.0 | 2.0 | 2.1 |
| Y2 280S-6 | 45.0 | 380/660 | 85.9/49.7 | 50/60 | 980 | 1180 | 92.7 | 93.7 | 0.86 | 7.2 | 2.0 | 2.0 |
| Y2 280M-6 | 55.0 | 380/660 | 104.5/60.4 | 50/60 | 980 | 1180 | 93.1 | 94.1 | 0.86 | 7.2 | 2.0 | 2.0 |
| Y2 315S-6 | 75.0 | 380/660 | 141.5/60.4 | 50/60 | 990 | 1190 | 93.7 | 94.6 | 0.86 | 6.5 | 2.0 | 2.0 |
| Y2 315M-6 | 90.0 | 380/660 | 169.4/97.9 | 50/60 | 990 | 1190 | 94.0 | 94.9 | 0.86 | 6.6 | 2.0 | 2.0 |
| Y2 315L1-6 | 110.0 | 380/660 | 206.3/119.2 | 50/60 | 990 | 1190 | 94.3 | 95.1 | 0.86 | 6.6 | 2.0 | 2.0 |
| Y2 315L2-6 | 132.0 | 380/660 | 244.0/141.0 | 50/60 | 990 | 1190 | 94.6 | 95.4 | 0.87 | 6.6 | 2.0 | 2.0 |
| Y2 355M1-6 | 160.0 | 380/660 | 295.1/170.6 | 50/60 | 990 | 1190 | 94.8 | 95.6 | 0.87 | 6.7 | 2.0 | 2.0 |
| Y2 355M2-6 | 200.0 | 380/660 | 363.9/210.3 | 50/60 | 990 | 1190 | 95.0 | 95.8 | 0.88 | 6.8 | 2.0 | 2.0 |
| Y2 355L-6 | 250.0 | 380/660 | 454.9/262.9 | 50/60 | 990 | 1190 | 95.0 | 95.8 | 0.88 | 6.8 | 2.0 | 2.0 |
| 750 об/мин | ||||||||||||
| Y2 801-8 | 0.18 | 220/380 | 1.5/0.88 | 50/60 | 630 | 760 | 51 | - | 0.61 | 3.3 | 1.8 | 1.9 |
| Y2 802-8 | 0.25 | 220/380 | 2.1/1.2 | 50/60 | 640 | 770 | 54 | - | 0.61 | 3.3 | 1.8 | 1.9 |
| Y2 90S-8 | 0.37 | 220/380 | 2.6/1.5 | 50/60 | 660 | 790 | 62 | - | 0.61 | 4.0 | 1.8 | 1.9 |
| Y2 90L-8 | 0.55 | 220/380 | 3.8/2.2 | 50/60 | 660 | 790 | 63 | - | 0.61 | 4.0 | 1.8 | 2.0 |
| Y2 100L1-8 | 0.75 | 220/380 | 4.2/2.4 | 50/60 | 690 | 830 | 71 | - | 0.67 | 4.0 | 1.8 | 2.0 |
| Y2 100L2-8 | 1.1 | 220/380 | 5.7/3.3 | 50/60 | 690 | 830 | 73 | - | 0.69 | 5.0 | 1.8 | 2.0 |
| Y2 112M-8 | 1.5 | 220/380 | 7.6/4.4 | 50/60 | 680 | 820 | 75 | - | 0.69 | 5.0 | 1.8 | 2.0 |
| Y2 132S-8 | 2.2 | 220/380 | 10.4/6.0 | 50/60 | 720 | 860 | 78 | - | 0.71 | 6.0 | 1.8 | 2.0 |
| Y2 132M-8 | 3.0 | 220/380 | 13.7/7.9 | 50/60 | 720 | 860 | 79 | - | 0.73 | 6.0 | 1.8 | 2.0 |
| Y2 160M1-8 | 4.0 | 380/660 | 10.3/6.0 | 50/60 | 720 | 860 | 81 | - | 0.73 | 6.0 | 1.9 | 2.0 |
| Y2 160M2-8 | 5.5 | 380/660 | 13.6/7.9 | 50/60 | 720 | 860 | 83 | - | 0.74 | 6.0 | 2.0 | 2.0 |
| Y2 160L-8 | 7.5 | 380/660 | 17.8/10.3 | 50/60 | 720 | 860 | 85.5 | - | 0.75 | 6.0 | 2.0 | 2.0 |
| Y2 180L-8 | 11.0 | 380/660 | 25.2/14.6 | 50/60 | 730 | 880 | 87.5 | - | 0.76 | 6.6 | 2.0 | 2.0 |
| Y2 200L-8 | 15.0 | 380/660 | 34.1/19.7 | 50/60 | 730 | 880 | 88 | - | 0.76 | 6.6 | 2.0 | 2.0 |
| Y2 225S-8 | 18.5 | 380/660 | 41.1/23.8 | 50/60 | 730 | 880 | 90 | - | 0.76 | 6.6 | 1.9 | 2.0 |
| Y2 225M-8 | 22.0 | 380/660 | 47.4/27.4 | 50/60 | 740 | 890 | 90.5 | - | 0.78 | 6.6 | 1.9 | 2.0 |
| Y2 250M-8 | 30.0 | 380/660 | 63.5/36.7 | 50/60 | 740 | 890 | 91 | - | 0.79 | 6.6 | 1.9 | 2.0 |
| Y2 280S-8 | 37.0 | 380/660 | 77.9/45.0 | 50/60 | 740 | 890 | 91.5 | - | 0.79 | 6.6 | 1.9 | 2.0 |
| Y2 280M-8 | 45.0 | 380/660 | 94.2/54.5 | 50/60 | 740 | 890 | 92 | - | 0.79 | 6.6 | 1.9 | 2.0 |
| Y2 315S-8 | 55.0 | 380/660 | 111.3/64.3 | 50/60 | 740 | 890 | 92.8 | - | 0.81 | 6.6 | 1.8 | 2.0 |
| Y2 315M-8 | 75.0 | 380/660 | 151.4/87.5 | 50/60 | 740 | 890 | 93 | - | 0.81 | 6.6 | 1.8 | 2.0 |
| Y2 315L1-8 | 90.0 | 380/660 | 178/102.9 | 50/60 | 740 | 890 | 93.8 | - | 0.82 | 6.6 | 1.8 | 2.0 |
| Y2 315L2-8 | 110.0 | 380/660 | 217.1/125.5 | 50/60 | 740 | 890 | 94 | - | 0.82 | 6.4 | 1.8 | 2.0 |
| Y2 355M1-8 | 132.0 | 380/660 | 261.3/151.0 | 50/60 | 740 | 890 | 93.7 | - | 0.82 | 6.4 | 1.8 | 2.0 |
| Y2 355M2-8 | 160.0 | 380/660 | 315.1/182.1 | 50/60 | 740 | 890 | 94.2 | - | 0.82 | 6.4 | 1.8 | 2.0 |
| Y2 355L-8 | 200.0 | 380/660 | 387.9/224.2 | 50/60 | 740 | 890 | 94.5 | - | 0.83 | 6.4 | 1.8 | 2.0 |
Варианты монтажного исполнения:
B3 — на лапах
B14 — малый фланец
B5 — большой фланец
B35 – комбинированный, лапы и большой фланец
B34 – комбинированный, лапы и малый фланец
Исполнение на лапах IMB3
Исполнение с фланцем IMB5
Исполнение с фланцем IMB14
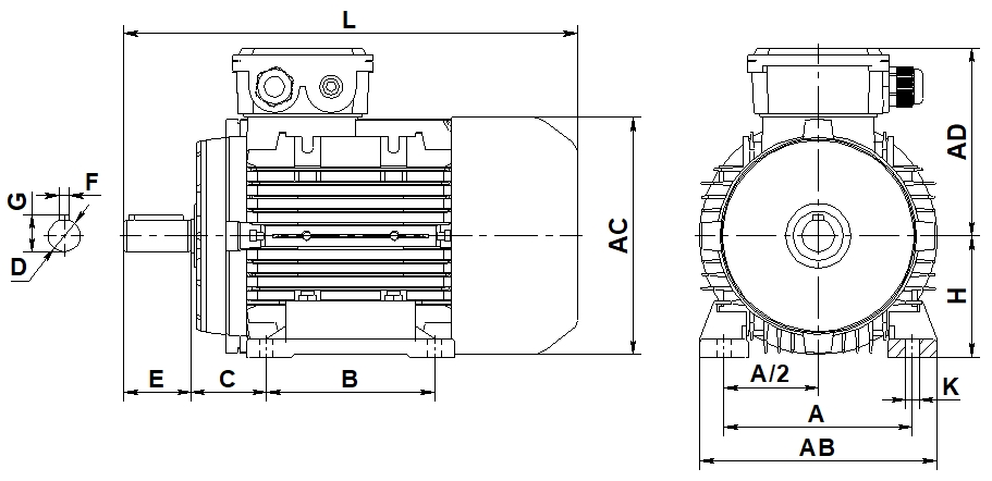
| Типоразмер | IM B3 | IM B14 | IM B5 | Габаритные размеры | ||||||||||||||||||||
|---|---|---|---|---|---|---|---|---|---|---|---|---|---|---|---|---|---|---|---|---|---|---|---|---|
| H | A | B | C | D | E | F | G | K | M | N | P | S | T | M | N | P | S | n | T | AB | AD | AC | L | |
| Y2 63 | 63 | 100 | 80 | 40 | 11 | 23 | 4 | 12.5 | 7 | 75 | 60 | 90 | M5 | 3 | 115 | 95 | 140 | 10 | 4 | 3 | 135 | 70 | 130 | 225 |
| Y2 71 | 71 | 112 | 90 | 45 | 14 | 30 | 5 | 16 | 7 | 85 | 70 | 105 | M6 | 3.5 | 130 | 110 | 160 | 10 | 4 | 3.5 | 150 | 80 | 145 | 250 |
| Y2 80 | 80 | 125 | 100 | 50 | 19 | 40 | 6 | 21.5 | 10 | 100 | 80 | 120 | M6 | 3.5 | 165 | 130 | 200 | 12 | 4 | 3.5 | 165 | 150 | 175 | 290 |
| Y2 90S | 90 | 140 | 100 | 56 | 24 | 50 | 8 | 27 | 10 | 115 | 95 | 140 | M8 | 3.5 | 165 | 130 | 200 | 12 | 4 | 4 | 180 | 160 | 195 | 315 |
| Y2 90L | 125 | 340 | ||||||||||||||||||||||
| Y2 100L | 100 | 160 | 140 | 63 | 28 | 60 | 8 | 32 | 12 | 130 | 110 | 155 | M8 | 4 | 215 | 180 | 250 | 15 | 4 | 4 | 205 | 180 | 215 | 380 |
| Y2 112M | 112 | 190 | 140 | 70 | 28 | 60 | 8 | 32 | 12 | 130 | 110 | 160 | M8 | 4 | 215 | 180 | 250 | 15 | 4 | 4 | 245 | 190 | 245 | 400 |
| Y2 132S | 132 | 216 | 140 | 89 | 38 | 80 | 10 | 41 | 12 | 165 | 130 | 200 | M10 | 4 | 265 | 230 | 300 | 15 | 4 | 4 | 280 | 210 | 275 | 475 |
| Y2 132M | 178 | 515 | ||||||||||||||||||||||
| Y2 160M | 160 | 254 | 210 | 108 | 42 | 110 | 12 | 45 | 15 | - | - | - | - | - | 300 | 250 | 350 | 19 | 4 | 5 | 330 | 265 | 335 | 605 |
| Y2 160L | 254 | - | - | - | - | - | 650 | |||||||||||||||||
| Y2 180M | 180 | 279 | 241 | 121 | 48 | 110 | 14 | 51.5 | 15 | - | - | - | - | - | 300 | 250 | 350 | 19 | 4 | 5 | 355 | 285 | 380 | 670 |
| Y2 180L | 279 | - | - | - | - | - | 710 | |||||||||||||||||
| Y2 200L | 200 | 318 | 305 | 133 | 55 | 110 | 16 | 59 | 19 | - | - | - | - | - | 350 | 300 | 400 | 19 | 4 | 5 | 395 | 315 | 420 | 775 |
| Y2 225S 4/6/8p |
225 | 356 | 286 | 149 | 60 | 140 | 18 | 64 | 19 | - | - | - | - | - | 400 | 350 | 450 | 19 | 8 | 5 | 435 | 345 | 475 | 820 |
| Y2 225M 2p |
311 | 55 | 110 | 16 | 59 | - | - | - | - | - | 815 | |||||||||||||
| Y2 225M 4/6/8p |
60 | 140 | 18 | 64 | - | - | - | - | - | 845 | ||||||||||||||
| Y2 250M 2p |
250 | 406 | 349 | 168 | 60 | 140 | 18 | 64 | 24 | - | - | - | - | - | 500 | 450 | 550 | 19 | 8 | 5 | 490 | 285 | 515 | 930 |
| Y2 250M 4/6/8p |
65 | 69 | - | - | - | - | - | |||||||||||||||||
| Y2 280S 2p |
280 | 457 | 368 | 190 | 65 | 140 | 18 | 69 | 24 | - | - | - | - | - | 500 | 450 | 550 | 19 | 8 | 5 | 550 | 410 | 585 | 1000 |
| Y2 280S 4/6/8p |
75 | 20 | 79.5 | - | - | - | - | - | ||||||||||||||||
| Y2 280M 2p |
280 | 457 | 419 | 190 | 65 | 140 | 18 | 69 | 24 | - | - | - | - | - | 500 | 450 | 550 | 19 | 8 | 5 | 550 | 410 | 585 | 1050 |
| Y2 280M 4/6/8p |
75 | 20 | 79.5 | - | - | - | - | - | ||||||||||||||||
| Типоразмер | IM B3 | IM B5 | Габаритные размеры | ||||||||||||||||
|---|---|---|---|---|---|---|---|---|---|---|---|---|---|---|---|---|---|---|---|
| H | A | B | C | D | E | F | G | K | M | N | P | S | n | T | AB | AD | AC | L | |
| Y2 315S 2p |
315 | 508 | 406 | 216 | 65 | 140 | 18 | 69 | 28 | 600 | 550 | 660 | 19 | 8 | 6 | 628 | 576 | 645 | 1240 |
| Y2 315S 4/6/8 |
508 | 406 | 216 | 80 | 170 | 22 | 85 | 28 | 600 | 550 | 660 | 19 | 8 | 6 | 628 | 576 | 645 | 1270 | |
| Y2 315M 2p |
315 | 508 | 457 | 216 | 65 | 140 | 18 | 69 | 28 | 600 | 550 | 660 | 19 | 8 | 6 | 628 | 576 | 645 | 1310 |
| Y2 315M 4/6/8 |
508 | 457 | 216 | 80 | 170 | 22 | 85 | 28 | 600 | 550 | 660 | 19 | 8 | 6 | 628 | 576 | 645 | 1340 | |
| Y2 315L 2p |
315 | 508 | 508 | 216 | 65 | 140 | 18 | 69 | 28 | 600 | 550 | 660 | 19 | 8 | 6 | 628 | 576 | 645 | 1310 |
| Y2 315L 4/6/8 |
508 | 508 | 216 | 80 | 170 | 22 | 85 | 28 | 600 | 550 | 660 | 19 | 8 | 6 | 628 | 576 | 645 | 1340 | |
| Y2 355M 2p |
355 | 610 | 560 | 254 | 75 | 140 | 20 | 79.5 | 28 | 740 | 680 | 800 | 24 | 8 | 6 | 740 | 680 | 750 | 1540 |
| Y2 355M 4/6/8 |
610 | 560 | 254 | 95 | 170 | 25 | 100 | 28 | 740 | 680 | 800 | 24 | 8 | 6 | 740 | 680 | 750 | 1570 | |
| Y2 355L 2p |
355 | 610 | 630 | 254 | 75 | 140 | 20 | 79.5 | 28 | 740 | 680 | 800 | 24 | 8 | 6 | 740 | 680 | 750 | 1540 |
| Y2 355L 4/6/8 |
610 | 630 | 254 | 95 | 170 | 25 | 100 | 28 | 740 | 680 | 800 | 24 | 8 | 6 | 740 | 680 | 750 | 1570 | |
Самовывоз
Товар можно получить в будние дни на складе в Москве (МО, г. Одинцово), Санкт-Петербурге, Ростове-на-Дону или Екатеринбурге. Сроки отгрузки — 1-3 дня после оплаты. Заказ должен быть предварительно согласован с менеджером ООО "ТПК "ТЕХПРИВОД".
Регионы России
Заказ может быть доставлен в любой регион России. Доставка осуществляется транспортной компанией «Деловые Линии» либо перевозчиком, выбранным заказчиком. До терминала транспортной компании товар доставляется бесплатно. Примерную стоимость доставки можно рассчитать с помощью тарифного калькулятора.
Уточнить условия доставки и задать дополнительные вопросы можно по телефонам: +7 (495) 966-07-07 и 8 (800) 707-66-72 (бесплатный звонок).