Ваш заказ
Выберите город

Редуктор QL TRC02-B01-19,31-90B14

Артикул: QL-TRC02-19,31-90B14
Узнать цену
Купить в 1 клик
Есть в наличииСклады в нескольких городах России.
Отгрузка 1 деньОтгрузим оборудование со склада в день оплаты.
Гарантия 1 годГарантийное обслуживание в течение 1 года.
Опт и розницаСпециальные цены для оптовых покупателей.
Доставка по РоссииДоставим оборудование в любой регион России.
Передаточное число (i) 19,31
Вес дополнительный 21,5
Размер входного фланца для м-редуктора 90
Тип м-редуктора(общий) QL TRC
Габаритный размер(общий) 02
Высота дополнительная 0,25
Тип входного фланца B14
Ширина дополнительная 0,24
Длина дополнительная 0,36
Тип редуктора TRC

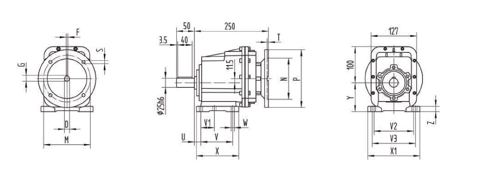
Габаритные и присоединительные размеры редукторов TRC 02

Габаритные и присоединительные размеры редукторов TRC 02

Габаритные и присоединительные размеры

IEC D F G P M N S T
63B5 11 4 12.8 140 115 95 9 5
71B5 14 5 16.3 160 130 110 9 5
71B14 14 5 16.3 105 85 70 7 5
80B5 19 6 21.8 200 165 130 11 5
80B14 19 6 21.8 120 100 80 7 5
90B5 24 8 27.3 200 165 130 11 5
90B14 24 8 27.3 140 115 95 9 5
U V V1 V2 V3 W X X1 Y Z
B02 18 107.5 60 130 11 136 155 100 17
M02 25 85 110 120 9 112 145 80 15
M01 18 80 110 120 9 118 145 80 15
B01 18 87 50 110 9 118 130 90 15
i 63B5 71B5
71B14
80B5
80B14
90B5
90B14
54.00*
46.46*
40.60*
35.91*
28.88*
23.85*
20.08*
(19.87)
17.10
(14.94)
14.81*
13.21
12.05
(10.63)*
9.93
8.78
7.39
5.45
4.43
3.66

Самовывоз

Товар можно получить в будние дни на складе в Москве (МО, г. Одинцово), Санкт-Петербурге, Ростове-на-Дону или Екатеринбурге. Сроки отгрузки — 1-3 дня после оплаты. Заказ должен быть предварительно согласован с менеджером ООО "ТПК "ТЕХПРИВОД".

Регионы России

Заказ может быть доставлен в любой регион России. Доставка осуществляется транспортной компанией «Деловые Линии» либо перевозчиком, выбранным заказчиком. До терминала транспортной компании товар доставляется бесплатно. Примерную стоимость доставки можно рассчитать с помощью тарифного калькулятора.


Уточнить условия доставки и задать дополнительные вопросы можно по телефонам: +7 (495) 966-07-07 и 8 (800) 707-66-72 (бесплатный звонок).

Оставить заявку
Каталог
Остались вопросы?
Напишите нам, получите бесплатную консультацию по оборудованию!
Или позвоните по телефону 8 (800) 707-66-72